您好,欢迎进入日本VENN阀天蒸汽阀门网站!

全国咨询热线

4008-550-700

RP-6K减压阀

日本阀天VENN减压阀RP-6K为先导式蒸汽减压阀,构造精密,调压手柄操作简单,带自带上锁功能。重要部件均采用高质量不锈钢材质制造,可在高度恶劣的环境下稳定工作,适用于建筑行业、工业及各制造行业的生产设备和装置。RP-6K型适用于调整频度多、远程操作、集中管理的场合。动作形式: 先导式 适用流体: 蒸汽 流体温度: 220℃ 进入压力范围 :1.0Mpa{10K} 减压范围 :0....
联系电话:4008-550-700

产品详情

日本阀天VENN减压阀RP-6K为先导式蒸汽减压阀,构造精密,调压手柄操作简单,带自带上锁功能。重要部件均采用高质量不锈钢材质制造,可在高度恶劣的环境下稳定工作,适用于建筑行业、工业及各制造行业的生产设备和装置。RP-6K型适用于调整频度多、远程操作、集中管理的场合。

动作形式: 先导式
适用流体: 蒸汽
流体温度: 220℃
进入压力范围 :1.0Mpa{10K}
减压范围 :0.03-0.8Mpa {0.3-8K} 
最大减压比 :20:1
阀前后最小差压: 0.05Mpa{0.5K}
连接方式: 10K 法兰
 阀外体材质: FC(铸铁)
阀体、阀座材质: SUS(不锈钢)
口径范围: DN15-DN80

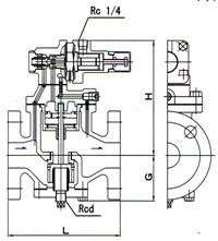
日本VENN阀天蒸汽减压阀RP-6K外形尺寸图

RP-6K减压阀图片    RP-6K减压阀尺寸图

日本阀天VENN阀门-RP-6K减压阀尺寸(mm)及重量
口径 L G H CV值 重量(kg)
DN15 140 62 155 1.0 7.0
DN20 140 62 155 2.5 7.0
DN25 150 67 160 4.0 8.5
DN32 180 73 182 6.5 11.5
DN40 180 73 182 9.0 12.0
DN50 200 86 187 16.0 15.0
DN65 230 94 202 25.0 20.0
DN80 260 110 221 36.0 26.0

查看更多 >>

产品推荐

4008-550-700
KITZ阀门